本申請實施例提供了一種變頻制氧機控制系統,其特征在于:包括用于對空氣進行壓縮的變頻制氧壓縮機控制模塊、利用壓縮的控制制氧的制氧系統模塊、電源管理模塊、與電源連接的電源適配器模塊和電池;所述電源管理模塊,用于選擇由連接電源的電源適配器供電還是由電池供電。本申請實施例提高了制氧機的智能控制能力,實現了變頻壓縮機控制功能。










| 附圖說明 |
| 為了更清楚地說明本實用新型實施例,下面將對實施例或現有技術描述中所需要使用的附圖做簡單介紹,顯而易見地,下面描述中的附圖僅僅是本實用新型的一些實施例,對于本領域普通技術人員來講,在不付出創造性勞動的前提下,還可以根據這些附圖獲得其他的附圖。 |
| 圖1為本實用新型實施例的制氧機的結構框圖; |
| 圖2為本實用新型實施例的變頻驅動電路原理圖; |
| 圖3為本實用新型實施例的U相的電壓檢測模塊電路原理圖; |
| 圖4為本實用新型實施例的呼吸脈沖控制模塊電路原理圖; |
| 圖5為本實用新型實施例的電路原理框圖; |
| 圖6為本實用新型實施例的充電控制器的接口示意圖; |
| 圖7為本實用新型實施例的適配器輸入電流限制電路的電路原理圖; |
| 圖8為本實用新型實施例的電池充電電流限制電路的電路原理圖; |
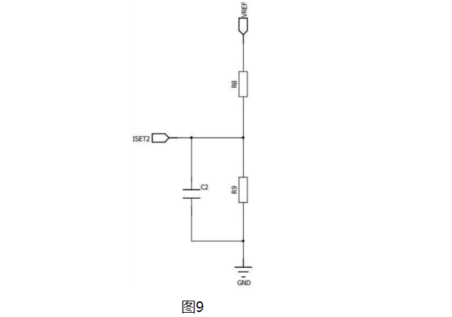
| 圖9為本實用新型實施例的電池充電預處理電流限制電路的電路原理圖; |
| 圖10為本實用新型實施例的電源管理電路的部分原理圖。 |