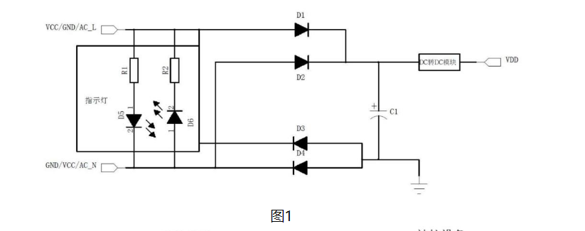
本實用新型公開一種無極性電源輸入電路及線控裝置,屬于電子電路技術領域。所述無極性電源輸入電路包括第一輸入端、第二輸入端、電源地及供電輸出端;還包括二極管D1、二極管D2、二極管D3、二極管D4、電容C1及DC轉(zhuǎn)DC模塊;二極管D1的正極和二極管D3的負極連接所述第一輸入端,二極管D2的正極和二極管D4的負極連接所述第二輸入端;二極管D1的負極和二極管D2的負極連接電容C1的正極及DC轉(zhuǎn)DC模塊的輸入端,二極管D3的正極和二極管D4的正極連接電容C1的負極及電源地;DC轉(zhuǎn)DC模塊的輸出端作為所述無極性電源輸入電路的供電輸出端。本實用新型能保證接入的直流電源正負反接情況下可以正常工作,還可以保證交流輸入情況下都能正常工作。



| 附圖說明 |
| 圖1為本實用新型實施例提供的無極性電源輸入電路的原理圖。 |
| 圖2為本實用新型實施例提供的線控裝置的構(gòu)成框圖。 |
| 圖3為本實用新型實施例提供的線控裝置中所采用的485通訊電路的原理圖。 |